前言
UPS有工頻機與高頻機之分,這兩者間的主要差異表現在隔離變壓器上。業界有一部分聲音認為,工頻機的隔離變壓器有降低零地電壓、抑制干擾、隔離輸出等作用。事實果真如此么?為什么工頻機需要隔離變壓器,隔離變壓器真正的作用又是如何?本文將從技術細節深入探討,揭開隔離變壓器的神秘面紗。
1、 工頻機與高頻機的演進
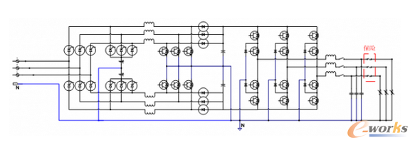
上世紀60年代末誕生了第一代基于半導體器件的UPS,該UPS一共有五個變壓器,其中整流器輸入用的是自耦變壓器,另外有一副繞組用于電池充電,逆變則用了四個隔離變壓器,通過不同的相位疊加成脈波式階梯逆變電壓,再通過LC濾波器,變成正弦波。國內通常把這種含逆變隔離變壓器的UPS稱為工頻機。經過幾十年的發展,得益于半導體的進步,在上世紀90年代,工頻機逆變器已經減少為一個隔離變壓器(見圖二),而到了本世紀初,各大UPS廠商紛紛推出了逆變器無隔離變壓器的UPS,稱為高頻機。
圖一 第一代基于半導體的UPS(不包含旁路)
圖二 12脈波、單隔離變壓器的工頻機UPS
2、隔離變壓器在UPS中的作用分析
從架構來看,工頻機與高頻機最大的區別在于高頻機省去了逆變隔離變壓器,正是因為省去了該隔離變壓器,高頻UPS的重量、體積均大幅度減小,效率提升明顯,相對工頻機有強大的競爭優勢。由于工頻機已經誕生幾十年,很多UPS用戶對高頻機產生了懷疑,認為高頻機沒有隔離變壓器,會產生如下一些問題:
a).輸出沒有被隔離;
b).無法抑制干擾;
c).無法降低零地電壓;
d).無法實現故障隔離;
e).無法抑制低頻的3n次諧波。
本文從原理上進行比較,來探討相比有輸出隔離變壓器的工頻機,去掉輸出隔離變壓器的高頻機是否真的產生了上述問題。
圖三 無隔離變壓器UPS典型拓撲
2.1、輸入與輸出隔離
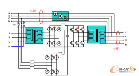
正常情況下,隔離變壓器可以提供原副邊的隔離作用,而有些場景,如果原邊在其他路徑與副邊有電氣連接,則隔離變壓器就失去了隔離作用。大家都知道,高頻機沒有隔離變壓器,輸出與輸入沒有隔離作用,而工頻機是否就提供了隔離作用呢?圖二為包含UPS旁路的工頻機,可以看出,在主旁同源的情況下(K1閉合),市電主輸入、旁路輸入與輸出之間并沒有被隔離,而在主旁不同源的情況下(K1斷開),主輸入與輸出隔離,但旁路輸入與輸出之間還是沒有被隔離,即輸出還是沒有被隔離。工頻機除非在圖二中的旁路或輸出(位置1或位置2)再增加一個隔離變壓器,才能提供輸出隔離作用,而這需要額外再增加一個隔離變壓器。而如果要增加一個額外的隔離變壓器,高頻機在輸出位置增加一個額外的隔離變壓器以后,也可以提供輸出隔離作用。工頻機的逆變隔離變壓器并沒有給UPS輸出提供真正的隔離作用。
2.2、抑制干擾
UPS是一種開關電源,需要在輸出端加LC濾波器,以降低輸出電壓的諧波。高頻機在輸出端有額外的電感,如圖3中的L2,該電感與輸出濾波電容一起,組成LC濾波器。在實際的隔離變壓器中,原邊磁通并不能全部耦合到副邊,這部分磁通就形成了漏感,圖四是實際隔離變壓器的等效原理圖。大部分工頻機均沒有輸出濾波電感,僅利用隔離變壓器的漏感,當作輸出濾波器中的感抗,用于濾波。高頻機與工頻機都需要輸出濾波感抗,不同的是高頻機有獨立電感,而工頻機是利用了隔離變壓器的漏感,兩者沒有本質區別。所不同的是,用隔離變壓器的漏感作為濾波電感,成本處于劣勢。但對于工頻機來說,其逆變位置一定要加隔離變壓器(原因后文會講),所以利用隔離變壓器的漏感作為濾波電感就是一種比較經濟的手段了。可見,高頻機和工頻機都能用LC濾波器抑制干擾,所不同的是,高頻機用了獨立電感,而工頻機利用隔離變壓器的漏感。
圖四 隔離變壓器等效原理圖
2.3、降低零地電壓
零地電壓是個頗具爭議性的問題,我們一直認為夸大零地電壓的危害是不科學的,具體可以參見華為【數據中心能源白皮書 04】《零地電壓的產生與誤區》,此處僅從技術上分析隔離變壓器對零地電壓的作用。隔離變壓器本身不降低零地電壓,只是有用戶認為將UPS輸出N和地(PE)在工頻機的隔離變壓器上短接,這樣就可以將零地電壓降低到0了。實際上,高頻機同樣在UPS內部將N和PE短接,也可以將零地電壓降低到0。但國內普遍是TN-S配電系統,而在TN-S配電系統,無論是工頻機還是高頻機,UPS內部是不能將N和PE短接的。
TN-S系統中,旁路不帶隔離變壓器的UPS,旁路輸入必定帶N,連接到輸出N。圖五是通過隔離變壓器將N和PE短接示意圖,圖中的地線通過虛線連接到了隔離變壓器的中點,與N短接在一起,這種做導致的結果是UPS輸入側的N線和PE線已經是并聯的兩根線,PE線已經不再是PE線,而是PEN線,有N線電流通過,TN-S系統變成了TN-C系統。圖五這種接法在國外的配電系統是不被允許的,國內的《建筑電氣工程施工質量驗收規范》(GB50303—2002)要求將UPS的N和PE短接,這已經有很多配電專家提出了質疑。如果要在TN-S系統中實現在UPS輸出端將N和PE短接的目的,則需要在旁路或者UPS輸出位置加隔離變壓器,以將N線和PE線分離開。
圖五 TN-S配電系統,隔離變壓器N和PE短接示意圖
可見,隔離變壓器并不能降低零地電壓,對于TN-S系統,如果旁路沒有隔離變壓器,在隔離變壓器的輸出端將N和PE短接,這是不允許的,這會改變配電系統為TN-C系統。如果用戶接受TN-C系統,那么在高頻機內也可以將PE和N短接,降低零地電壓。
2.4、實現故障隔離
UPS在逆變器故障后,都需要轉旁路供電,而無論是工頻機還是高頻機,UPS在輸出端都會配置輸出保險(見圖三),如果逆變器或者母線電容故障,將會有大能量進入或釋放出母線電容,此時保險會熔斷,即無論是高頻UPS還是工頻UPS,都有故障隔離的作用。
2.5、抑制低頻的3n次諧波
THDv作為衡量輸出電壓質量的指標,需要計算2~50次(100Hz~2.5Khz)的諧波,這部分諧波越大,THDv越高,UPS輸出電壓質量越差。目前絕大部分工頻機的逆變都是用IGBT,開關頻率在1K~3KHz,而市電的頻率是50Hz,即開關頻率是市電頻率的20~60倍,這么低的開關頻率,會產生大量的低次諧波(50Hz、100Hz、150Hz…)。原邊為三角形輸入的隔離變壓器,如DY、DZ型隔離變壓器,由于輸入沒有中性線,三次諧波無法通過,這樣就可以降低3*n次諧波,降低THDv。而高頻機的開關頻率普遍在15K以上,是市電頻率的300倍以上,如此高的開關頻率下,輸出電壓低次諧波含量極低,即使沒有隔離變壓器,THDv也可以做得很低,例如,華為高頻UPS的輸出THDv可以做到1%以下。可見,對于開關頻率很高的高頻機,本身就具備調制低頻諧波的能力,不需要隔離變壓器也可以實現低THDv。
3、隔離變壓器在工頻機中的作用
通過以上的分析,我們發現隔離變壓器在UPS中并沒有起不可替代的作用,那么為什么工頻機UPS還是有隔離變壓器呢?實際上,由于工頻機自身特點,其隔離變壓器還真是不可替代的。隔離變壓器在工頻機中不可替代的作用是升壓,另外,還有一重要作用:濾除三次諧波。
3.1、升壓的作用
如圖二,12脈波工頻機的輸入由晶閘管組成(6脈波工頻機也是如此),380V市電整流后得到的直流電壓最高為380*√2,538.8V,實際低于此值,一般在432V,直流432V母線經過逆變電路,考慮1.2的調制比,無法產生380V的AC線電壓,實際工頻機產生的是不包含中心線的190V線電壓,而逆變所需要的帶N線的220V相電壓,工頻機只能通過隔離變壓器實現這一升壓目的。
3.2、濾除三次諧波 的作用
前面已經分析過,工頻機由于開關頻率低,無法濾除低次諧波,而3*n次諧波無法進入三角形輸入變壓器,這樣隔離變壓器對工頻機的電壓質量起著很大的作用。高頻機由于開關頻率高,逆變器自身PWM調制可以把低次諧波降低到很低的水平,不用隔離變壓器也可以實現低的輸出電壓THDv。
4、結論
隔離變壓器在早期工頻機UPS中起著不可替代的作用,隨著技術的發展,UPS中的逆變隔離變壓器個數越來越少,最開始為四個,目前最先進的工頻機僅剩下一個逆變隔離變壓器。由于工頻機架構特點,這一隔離變壓器無法去除,而高頻機憑借先進的技術,已經去掉了隔離變壓器。無隔離變壓器UPS帶來了諸多優勢,體積、重量減小,效率更高,但也引起了用戶的疑慮,加上部分工頻機廠商的刻意引導,很多用戶擔心無隔離變壓器UPS的可靠使用。通過本文的分析,可以發現,相比有隔離變壓器的工頻機,無隔離變壓器的高頻機并沒有降低可靠性和性能。目前一些傳統工頻機占據優勢市場的UPS廠商,刻意夸大隔離變壓器的作用,企圖延緩高頻機取代工頻機這一趨勢,長遠來看,這將是徒勞的。
延伸閱讀:
數據中心能源白皮書(一):UPS架構的發展
數據中心能源白皮書(二):如何選用模塊化UPS
數據中心能源白皮書(三):如何提升UPS效率
數據中心能源白皮書(四):零地電壓的產生與誤區
核心關注:拓步ERP系統平臺是覆蓋了眾多的業務領域、行業應用,蘊涵了豐富的ERP管理思想,集成了ERP軟件業務管理理念,功能涉及供應鏈、成本、制造、CRM、HR等眾多業務領域的管理,全面涵蓋了企業關注ERP管理系統的核心領域,是眾多中小企業信息化建設首選的ERP管理軟件信賴品牌。
轉載請注明出處:拓步ERP資訊網http://www.lukmueng.com/
本文標題:數據中心能源白皮書(五):隔離變壓器在UPS中的作用
本文網址:http://www.lukmueng.com/html/solutions/14019318508.html